Quad Precision Adder

Motivation

Quad Precision Adder front view.

I was in need for a simple precision adder for my quad system. Used for tuning four VCO. So I took my existing precision adder and removed not needed features to make room for the fourth adder. Two input voltages each are precisely added to the output. The accuracy depends on the used operational amplifier and the matching of the resistors. For pitch CV I recommend precision OpAmps like the LT1014 or similar.




Specs and features


Implementation

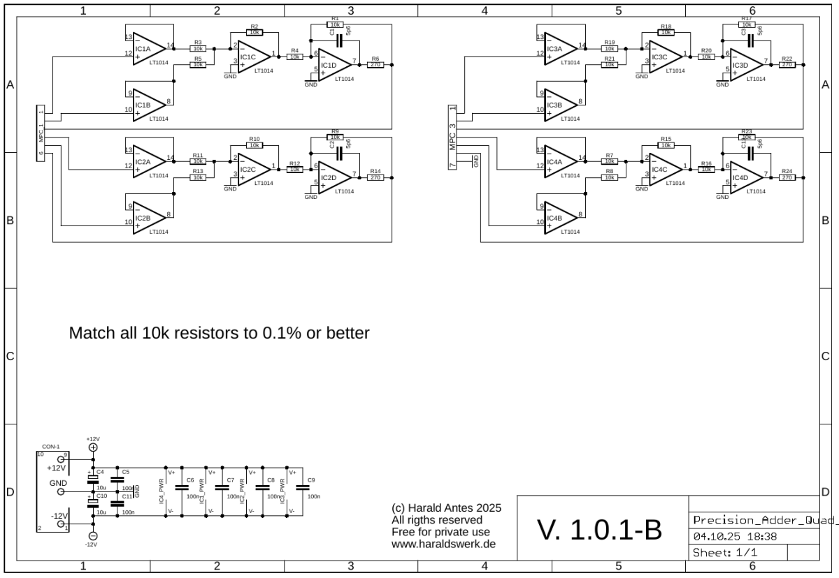
Schematic

Quad Precision Adder schematic control board

Quad Precision Adder: Schematic control board

Quad Precision Adder schematic main board

Quad Precision Adder: Schematic main board

Description:

...


Top

Calibration

  • None
Top

Building hints

  • Use precision OpAmps. Match resistors to 0,1% or better. Recommended 25ppm.

Special parts

  • None

Download

Quad Precision Adder control board documentation download
Quad Precision Adder control board Gerber files download
Quad Precision Adder main board documentation download
Quad Precision Adder main board Gerber files download
Quad Precision Adder front plate Gerber files download
Quad Precision Adder *.fpd file

Quad Precision Adder front view

Quad Precision Adder: Front view


Quad Precision Adder populated control PCB

Quad Precision Adder: Populated control PCB


Quad Precision Adder populated main PCB

Quad Precision Adder: Populated main PCB


Quad Precision Adder half front view

Quad Precision Adder: Half front view


Quad Precision Adder bhalve ack view

Quad Precision Adder: Half back view


Quad Precision Adder side view

Quad Precision Adder: Side view


2025 November

Top Home